![]() |
|
仕 様 |
| 定格容量 ・・・・・・・・・・・ 500N~10kN |
| 定格出力 ・・・・・・・・・・・ ±2mV/V±1% |
| 非直線性 ・・・・・・・・・・・ 0.15%R.O. |
| ヒステリシス ・・・・・・・・・ 0.15%R.O. |
| 繰り返し性 ・・・・・・・・・・ 0.1%R.O. |
| 推奨印加電圧 ・・・・・・・・・ 10V |
| 許容印加電圧 ・・・・・・・・・ 18V |
| 入出力抵抗 ・・・・・・・・・・ 350Ω±1% |
| 絶縁抵抗 ・・・・・・・・・・・ 2000MΩ以上 |
| 温度補償範囲 ・・・・・・・・・ -10~+70℃ |
許容温度範囲 ・・・・・・・・・ -20~+80℃ |
| 温度による零点の影響 ・・・・・ ±0.01%R.O./℃ |
| 温度による出力の影響 ・・・・・ ±0.01%/℃ |
| 許容過負荷 ・・・・・・・・・・ 120%R.C. |
| ケーブル ・・・・・・・・・・・ φ6、4芯シールドケーブル3m |
| 質量 ・・・・・・・・・・・・・ 約0.6kg(ケーブル含む) |
|
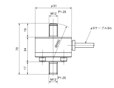
寸 法 表 | |
|
|
*仕様及び寸法は予告無く変更する場合があります。 |


