产品概要
●「坏不了」新构思的传感器诞生。 用应变片传感器实现了与压电式传感器 一样的高刚性和高速反应
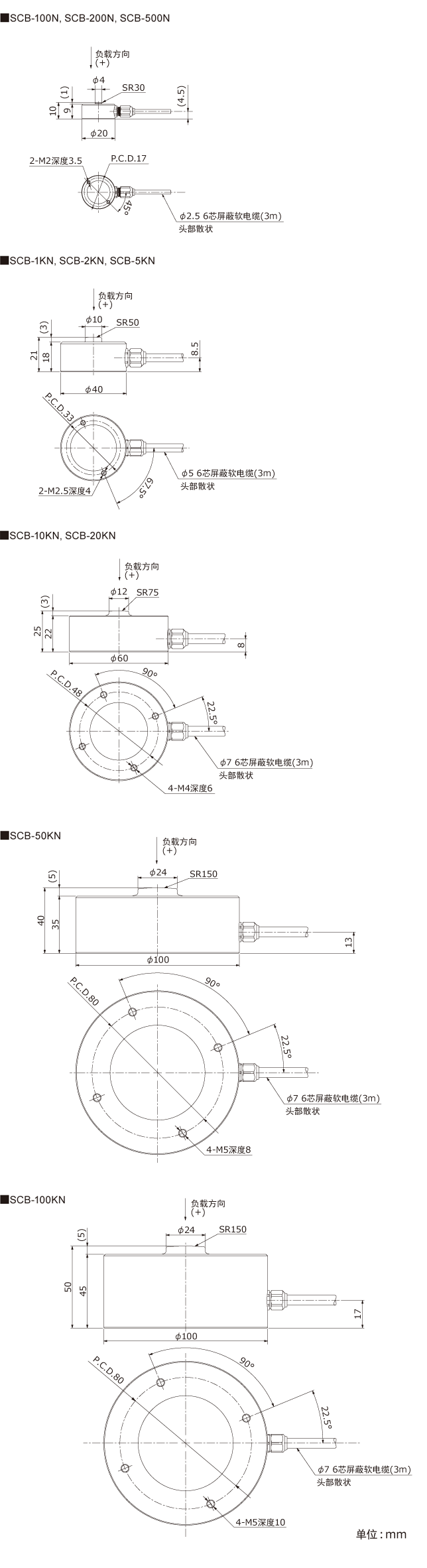
* 容量100N,200N,500N,1kN,2kN,5kN,10kN,20kN,50kN,100kN
* 用应变片传感器实现了与压电式传感器一样的高刚性!
* 容许过载500%
* 无需校准
* 高速反应


●产品概要



●系列(100,200,500,1k,2k,5k,10k,20k,50k,100k N)

●技术参数
| 型号 | SCB-□N ※1 | ||||||||||
|---|---|---|---|---|---|---|---|---|---|---|---|
| 额定容量 | 100 | 200 | 500 | 1k | 2k | 5k | 10k | 20k | 50k | 100k | N |
| 额定输出 | 0.4±0.1% ※2 | mV/V | |||||||||
| 允许超过负载 | 500 | %R.C. | |||||||||
| 零点平衡 | ±0.2 | %R.O. | |||||||||
| 非线性 | 0.2 | %R.O. | |||||||||
| 滞后性 | 0.2 | %R.O. | |||||||||
| 重复性 | 0.1 | %R.O. | |||||||||
| 补偿温度范围 | -10~+60 | ℃ | |||||||||
| 允许温度范围 | -20~+70 | ℃ | |||||||||
| 零点的温度影响 | 0.015 | %R.O./℃ | |||||||||
| 输出的温度影响 | 0.01 | %R.O./℃ | |||||||||
| 输入端子间阻抗 | 约700 | 约1000 | Ω | ||||||||
| 输出端子间阻抗 | 约700 | 约1000 | Ω | ||||||||
| 推荐激励电压 | 5 | 10 | V | ||||||||
| 最大激励电压 | 7.5 | 15 | V | ||||||||
| 绝缘阻抗(50VDC) | 1000以上 | MΩ | |||||||||
| 负载的弯度 | 0.015 | 0.015 | 0.015 | 0.015 | 0.020 | 0.025 | 0.025 | 0.035 | 0.065 | 0.100 | mm |
| 固有频率 | 40 | 26 | 15 | kHz | |||||||
| 传感器材质 | 不锈钢制 | ||||||||||
| 重量 | 0.02 | 0.2 | 0.4 | 2.0 | 2.3 | kg | |||||
| 电缆线配色 | +EXC:红 +S:黄 -S:橙 -EXC:黑 +SIG:绿 -SIG:白 SHIELD:蓝 |
||||||||||
※请注意:规格和设计因产品改良有可能会发生一些变化(无事先通知)。
● 外形尺寸

